SP0703.06 : Cảm biến lực | Cân điện tử | SB | KELI | BENUI
Thông số chính :
Cảm biến lực | Cân điện tử | SB | KELI | BENUI
Cảm biến trọng lượng | Cảm biến lực | SB | Single beam loadcell :
Cảm biến lực - SB Single beam loadcell
Capacities : (Emax) 0.5,1,2,3,5,8,10,20t
Single beam load cell
Rated output : 2.0mV/V
Digital : 1,000,000d
Accuracy : C3 OIML R60
Material of elastomer : Alloy steel or stainless steel .
Cảm biến trọng lượng - Cảm biến lực – Loadcell – Cân điện tử- Bộ chỉ thị số - Cân băng tải – Cân ô tô – Cân đóng bao – Phụ kiện /.

Tư vấn , Thiết kế , Chế tạo dây chuyền – Thiết bị công nghệ , Hệ thống pha trộn - định lượng được tổng hợp từ các thiết bị công nghệ Bơm - Van - Cảm biến , Thiết bị điều khiển Allen – Bradley (Mỹ)
Hãng cung cấp : KELI | ZEMIC | BENUI
Model :  SB - loadcell
Chất lượng : Bảo hành 18 tháng
 Catalog Video
Execution standard:
GB/T 7551-1997 Certificate
(eqv OIML R60)
Combined error: 0.015%

Sealed to IEC 529:
Protection grade: IP67 or IP68.
Protection against total immersion in water for 30 minutes at a pressure corresponding to a 1 m head of water.

 

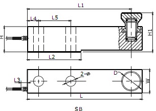
Dimensions

(In mm. 1mm = 0.03937 inches)

 

CAP./SIZE

L

L1

L2

L3

L4

L5

H

H1

Φ

D

D1

W

A

0.5,1,2,3t

203

181

95

24

19

64

43

57.9

13

35

39

37

15.9

5,8t

235

213

110

24

23

66

52

78.9

21

42

44

48

25.48

10t

279

247

133

24

25

82

67

127.7

28

57

58

60

38.1

20t

318

280

153

24

32

89

82.5

143.5

34

70

69

70

50.8

Circuit Diagram:

Electrical Termination
4 Core cable standard lengths:
0.5~3t: 3m,5~8t: 7m, 10t: 9m, 20t: 12m
Diameter: Φ6
Connection:
Refer to the following drawing:

Notice: Do not change the length of cable, or lese, it will effect the sensitivity of loadcell.

Specification

Item Parameter

C3

Unit

Rated load (Emax):

0.5,1,2,3,5,8,10,20

t

Maximal numbers of load cell verification Intervals (Nlc):

3000

d

Minimum load cell verification intervals Intervals

( Vmin):

0.01

% of rated load

Rated output (Cn):

2.0±0.1%

mV/V

Combined error:

0.015

-% of rated output

Temperature effect on sensitivity(Tkc):

0.0012

=% of rated output/

Temperature effect on zero balance(Tk0):

0.0008

-% of rated output

Zero balance:

1.0

-% of rated output

Input resistance(Rlc):

385±5

Ω(Ohms)

Output resistance(Ro):

351±2

Ω(Ohms)

Insulation resistance:

≥5000

MΩ (Mega-Ohms)

Safe overload:

150

% of rated capability

Ultimate overload:

300

% of rated capability

Operating temperature range:

-20~+70/-20~+160

/ °F

Recommend excitation:

8~15

V( DC or AC)

Maximum excitation:

18

V( DC or AC)

Material of elastomer:

Alloy steel / Stainless steel

Protection class:

IP67/IP68

 
 
 
 
Lên đầu trang