| Execution standard: GB/T 7551-1997 Certificate (eqv OIML R60) Combined error: 0.015% Sealed to IEC 529: Protection grade: IP67 or IP68. Protection against total immersion in water for 30 minutes at a pressure corresponding to a 1 m head of water. |
|
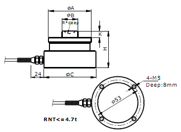
Dimensions
(In mm. 1mm = 0.03937 inches)
![]() |
![]() |
|
CAP./SIZE |
1t |
2.2t |
4.7t |
10t |
15t |
22t |
33t |
47t |
68t |
100t |
150t |
220t |
330t |
470t |
|
ΦA |
49 |
49 |
49 |
74 |
75 |
75 |
95 |
130 |
130 |
150 |
150 |
225 |
225 |
270 |
|
ΦB |
20 |
20 |
20 |
30 |
30 |
30 |
40 |
60 |
60 |
70 |
70 |
100 |
100 |
120 |
|
ΦC |
60 |
60 |
60 |
75 |
75 |
75 |
95 |
130 |
130 |
150 |
150 |
225 |
225 |
270 |
|
H |
43 |
43 |
43 |
50 |
50 |
50 |
65 |
75 |
85 |
90 |
100 |
130 |
145 |
170 |
|
J |
- |
- |
- |
7 |
7 |
7 |
7 |
7 |
7 |
7 |
7 |
10 |
10 |
10 |
|
K |
7.5 |
7.5 |
7.5 |
6.5 |
6.5 |
6.5 |
10 |
14 |
14 |
16 |
16 |
24 |
24 |
28 |
|
R |
15 |
15 |
15 |
25.4 |
25.4 |
25.4 |
50 |
60 |
- |
- |
- |
- |
- |
- |
|
Deep |
2.2 |
2.2 |
2.2 |
3.3 |
3.3 |
3.3 |
3.3 |
5.1 |
- |
- |
- |
- |
- |
- |
Circuit Diagram:
Electrical Termination
4 Core cable standard lengths:
<=15t: 5.0 m, 22~68t: 13m, >=100t: 5.0m
Diameter: Φ6
Connection: Refer to the following drawing:

Notice: Do not change the length of cable, or lese, it will effect the sensitivity of loadcell.
Specification
|
Item Parameter |
C3 |
Unit |
|
Rated load (Emax): |
1~470 |
t |
|
Maximal numbers of load cell verification Intervals (Nlc): |
3000 |
d |
|
Minimum load cell verification intervals Intervals ( Vmin): |
0.01 |
% of rated load |
|
Rated output (Cn): |
2.0±0.1% |
mV/V |
|
Combined error: |
0.015 |
-% of rated output |
|
Temperature effect on sensitivity(Tkc): |
0.0012 |
=% of rated output/ |
|
Temperature effect on zero balance(Tk0): |
0.0008 |
-% of rated output |
|
Zero balance: |
1.0 |
-% of rated output |
|
Input resistance(Rlc): |
775±5/>=33t:1550± 10 |
Ω(Ohms) |
|
Output resistance(Ro): |
702±2/>=33t:1402± 2 |
Ω(Ohms) |
|
Insulation resistance: |
≥5000 |
MΩ (Mega-Ohms) |
|
Safe overload: |
150 |
% of rated capability |
|
Ultimate overload: |
300 |
% of rated capability |
|
Operating temperature range: |
-20~+70/-20~+160 |
℃/ °F |
|
Recommend excitation: |
8~24 |
V( DC or AC) |
|
Maximum excitation: |
48 |
V( DC or AC) |
|
Material of elastomer: |
Alloy steel / Stainless steel |
|
|
Protection class: |
IP67/IP68 |
|
Hotline.
Ms. Vân Anh - 0904883101