| Execution standard: GB/T 7551-1997 Certificate (eqv OIML R60) Combined error: 0.015% Sealed to IEC 529: Protection grade: IP66. Enclosure is spayed from all practicable directions with a stream of water at 100L/min from a 12.5mm nozzle from a distance of 2.5 to 3m. Test time=1min/m of enclosure surface area to be sprayed,3min minimum. |
|
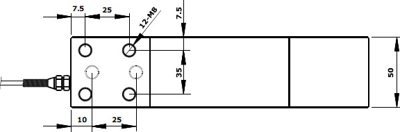
Dimensions
(In mm. 1mm = 0.03937 inches)
![]() |
![]() |
Circuit Diagram:
Electrical Termination
4 Core cable standard lengths:3m
Diameter: Φ6
Connection:
Refer to the following drawing:

Notice: Do not change the length of cable, or lese, it will effect the sensitivity of loadcell.
Specification
|
Item Parameter |
C3 |
Unit |
|
Rated load (Emax): |
100,150,200,250,300 |
kg |
|
Maximal numbers of load cell verification Intervals (Nlc): |
3000 |
d |
|
Minimum load cell verification intervals Intervals ( Vmin): |
0.01 |
% of rated load |
|
Rated output (Cn): |
2.0±0.1% |
mV/V |
|
Combined error: |
0.015 |
-% of rated output |
|
Temperature effect on sensitivity(Tkc): |
0.0012 |
=% of rated output/ |
|
Temperature effect on zero balance(Tk0): |
0.0008 |
-% of rated output |
|
Zero balance: |
1.0 |
-% of rated output |
|
Input resistance(Rlc): |
385±5 |
Ω(Ohms) |
|
Output resistance(Ro): |
351±2 |
Ω(Ohms) |
|
Insulation resistance: |
≥5000 |
MΩ (Mega-Ohms) |
|
Safe overload: |
150 |
% of rated capability |
|
Ultimate overload: |
300 |
% of rated capability |
|
Operating temperature range: |
-20~+70/-20~+160 |
℃/ °F |
|
Recommend excitation: |
8~15 |
V( DC or AC) |
|
Maximum excitation: |
18 |
V( DC or AC) |
|
Material of elastomer: |
Alloy steel / Stainless steel |
|
|
Protection class: |
IP66 |
|
Hotline.
Ms. Vân Anh - 0904883101