Vacuum pump -Rotary vacuum pump
2XZ series adopt the German Techology
Vacuum pump are basic equipment used for pumping air from sealed vessels to attain vacuum condition. The pumps may be applied single, or as the forestage pump of other kinds of pumps, such as booster pump, diffusion pump, molecular pump and titanium pump.
The pumps also can be used in Making electrical Vacuum cases, Vacuum jointing, printing, plastics forming, fitting refrigeration equipment and laboratory.
Characteristics Description
1.Compact construction, light weight, low noise.
2.The mounting of the gas ballast valve allow the pump to pump certain amount of water vapor.
3.Easy to restart because of the mounting of a oil anti-suckback device.
4.The pumps are improved one(the third era pump) .
5.Small caliber 2XZ-2 Vacuum pump, especially fix Vacuum darkness boxes.

|
Model |
2XZ-2C |
2XZ-4C |
2XZ-6C |
|
|
Pump Speed(L/s) |
2 |
4 |
6 |
|
|
Ultimate Pressure(Pa) |
6×10ˉ² |
6×10ˉ² |
6×10ˉ² |
|
|
Rotary Speed(r/min) |
1400 |
1400 |
1400 |
|
|
Motor Power(Kw) |
0.37 |
0.55 |
0.75 |
|
|
Working Voltage(v) |
220/380 |
380 |
380 |
|
|
Inlet |
I.D. |
25/8 |
25/8 |
25 |
|
O.D. |
31/11 |
31/11 |
31/11 |
|
|
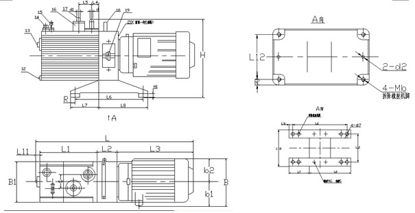
Dimensions |
Length |
474 |
514 |
565 |
|
Width |
168 |
168 |
200 |
|
|
Height |
282 |
282 |
342 |
|
|
Weight(kg) |
20 |
24 |
37 |
|
|
Model |
2XZ-8C |
2XZ-15C |
2XZ-25C |
|
|
Pump Speed(L/s) |
8 |
15 |
25 |
|
|
Ultimate Pressure(Pa) |
6×10ˉ² |
6×10ˉ² |
6×10ˉ² |
|
|
Rotary Speed(r/min) |
1400 |
1400 |
1400 |
|
|
Motor Power(Kw) |
1.1 |
1.5 |
2.2 |
|
|
Working Voltage(v) |
380 |
380 |
380 |
|
|
Inlet |
I.D. |
40 |
50 |
50 |
|
O.D. |
45 |
55 |
55 |
|
|
Dimensions |
Length |
565 |
705 |
740 |
|
Width |
200 |
338 |
338 |
|
|
Height |
342 |
414 |
414 |
|
|
Weight(kg) |
50 |
80 |
95 |
|
Hotline.
Ms. Vân Anh - 0904883101