|
Execution standard: |
|
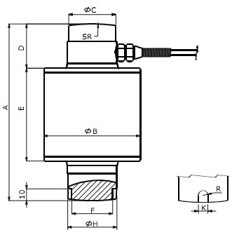
Dimensions
(In mm. 1mm = 0.03937 inches)
![]() |
![]() |
|
CAP./SIZE |
A |
B |
C |
D |
E |
F |
H |
K |
SR |
|
10~30t |
150 |
82 |
40 |
38 |
82 |
34.7 |
41.7 |
8 |
150 |
|
40~60t |
170 |
88 |
53 |
47 |
95 |
43 |
53 |
10 |
200 |
Circuit Diagram:
6 Core cable connection:

Notice:The 7 and/or 5 wires of cable should be short circuit before using.
Specification
|
Item Parameter |
C3 |
Unit |
|
Rated load (Emax): |
10,20,30,40,50,60 |
t |
|
Maximal numbers of load cell verification Intervals (Nlc): |
3000 |
d |
|
Minimum load cell verification intervals Intervals ( Vmin): |
0.01 |
% of rated load |
|
Rated output (Cn): |
30,000 or 100,000 |
d |
|
Combined error: |
0.015 |
-% of rated output |
|
Temperature effect on sensitivity(Tkc): |
0.0012 |
=% of rated output/ |
|
Temperature effect on zero balance(Tk0): |
0.0008 |
-% of rated output |
|
Zero balance: |
1.0 |
-% of rated output |
|
Measuring rate A/D: |
50/25 |
/Sec |
|
Baudrate: |
9600/19200 |
Bps |
|
Filter mode 1: |
3~0.05(Low pass filter) |
HZ |
|
Filter mode 0: |
8~3(Low pass filter) |
HZ |
|
Maxium transmission distance: |
1200 |
m |
|
Safe overload: |
150 |
% of rated capability |
|
Ultimate overload: |
300 |
% of rated capability |
|
Operating temperature range: |
-20~+70/-20~+160 |
℃/ °F |
|
Recommend excitation: |
8~15 |
V( DC or AC) |
|
Maximum excitation: |
24 |
V( DC or AC) |
|
Material of elastomer: |
Alloy steel / Stainless steel |
|
|
Protection class: |
IP67/IP68 |
|
Hotline.
Ms. Vân Anh - 0904883101