| Execution standard: GB/T 7551-1997 Certificate (eqv OIML R60) Combined error: 0.015% Sealed to IEC 529: Protection grade: IP67 or IP68. Protection against total immersion in water for 30 minutes at a pressure corresponding to a 1 m head of water. |
|
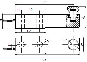
Dimensions
(In mm. 1mm = 0.03937 inches)
![]() |
![]() |
|
CAP./SIZE |
L |
L1 |
L2 |
L3 |
L4 |
L5 |
H |
H1 |
Φ |
D |
D1 |
W |
A |
|
0.5,1,2,3t |
203 |
181 |
95 |
24 |
19 |
64 |
43 |
57.9 |
13 |
35 |
39 |
37 |
15.9 |
|
5,8t |
235 |
213 |
110 |
24 |
23 |
66 |
52 |
78.9 |
21 |
42 |
44 |
48 |
25.48 |
|
10t |
279 |
247 |
133 |
24 |
25 |
82 |
67 |
127.7 |
28 |
57 |
59 |
60 |
38.1 |
|
20t |
318 |
280 |
153 |
24 |
32 |
89 |
82.5 |
143.5 |
34 |
70 |
69 |
70 |
50.8 |
Circuit Diagram:
6 Core cable connection:

Notice: The 7 and/or 5 wires of cable should be short circuit before using.
Specification
|
Item Parameter |
C3 |
Unit |
|
Rated load (Emax): |
0.5,1,2,3,5,8,10,20 |
t |
|
Maximal numbers of load cell verification Intervals (Nlc): |
3000 |
d |
|
Minimum load cell verification intervals Intervals ( Vmin): |
0.01 |
% of rated load |
|
Rated output (Cn): |
30,000 or 100,000 |
d |
|
Combined error: |
0.015 |
-% of rated output |
|
Temperature effect on sensitivity(Tkc): |
0.0012 |
=% of rated output/ |
|
Temperature effect on zero balance(Tk0): |
0.0008 |
-% of rated output |
|
Zero balance: |
1.0 |
-% of rated output |
|
Measuring rate A/D: |
50/25 |
/Sec |
|
Baudrate: |
9600/19200 |
Bps |
|
Filter mode 1: |
3~0.05(Low pass filter) |
HZ |
|
Filter mode 0: |
8~3(Low pass filter) |
HZ |
|
Maxium transmission distance: |
1200 |
m |
|
Safe overload: |
150 |
% of rated capability |
|
Ultimate overload: |
300 |
% of rated capability |
|
Operating temperature range: |
-20~+70/-20~+160 |
℃/ °F |
|
Recommend excitation: |
8~15 |
V( DC or AC) |
|
Maximum excitation: |
24 |
V( DC or AC) |
|
Material of elastomer: |
Alloy steel / Stainless steel |
|
|
Protection class: |
IP67/IP68 |
|
Hotline.
Ms. Vân Anh - 0904883101